Home | About | Contact

 

Mimicking Extracellular Matrix Structure

Electrospun scaffold has often been said to mimic extracellular matrix (ECM) because ECMs are mostly made out of collagen nanofibers. However, from the structural perspective, the arrangement of the nanofibers that forms the ECM for the tissues and organs may be different. A randomly distributed nanofibers cannot be said to mimic all ECM. To better stimulate appropriate cell response and mechanical property of the tissue and organ, it is preferable that the man-made nanofibrous scaffold replicates the arrangement of the respective native ECM. Table 1 shows the natural ECM and the corresponding electrospun nanofibrous structure that resembles it.

Table 1. Natural ECM and the corresponding electrospinning derived structure.
Aortic Valve
ecm aortic valve
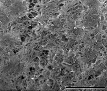
Wavy collagen fibrils of decellularized aortic valve [Ye et al 2013]
electrospun structure mimicking aortic valve
Electrospun nanofibrous structure.
Bone
ecm bone
Mineralized bone ECM
Mineralized electrospun structure structure
Mineralized electrospun structure structure
Fibrin Clot
ecm fibrin clot
Fibrin clots consisting of nanofibers [Neergaard-Petersen et al 2013]
electrospun randomly distributed fibers resembling fibrin clots
Electrospun randomly distributed fibers resembling fibrin clots
Small Intestine
ecm small intestine
Decellularized small intestine ECM [Oliveira et al 2013], scale bar represents 50 um.
electrospun structure resembling small intestine ECM
Electrospun structure resembling small intestine ECM
Stromal Lamella
ecm stromal lamella
Part of ECM stromal lamella ECM [Dai et al 2012], scale bar represents 7 um.
Electrospun structure resembling part of stromal lamella
Electrospun structure resembling part of stromal lamella
ecm stromal lamella
Part of ECM stromal lamella ECM [Dai et al 2012], scale bar represents 10 um.
Electrospun structure resembling part of stromal lamella
Electrospun structure resembling part of stromal lamella [Teo et al 2008]
Tendon
ecm tendon
Decellularized tendon ECM [Youngstrom et al 2013]
electrospun structure resembling tendon ECM
Electrospun structure resembling tendon ECM

The importance of surface topography in mimicking ECM has been demonstrated by Zavagna et al (2024). Zavagna et al (2024) used polycaprolactone (PCL) and polyacrylonitrile (PAN) for electrospinning into fibrous scaffolds to mimic the basement layer of intestinal epithelial barrier. Recombinant collagen type I, gelatin type B and fibrin (obtained with a quick crosslinking of fibrinogen and thrombin), were coated on the scaffold surface to improve cell adhesion. Human colon adenocarcinoma tumoral cells (Caco-2) were cultured on the coated scaffolds to determine its gene expression in particular, those in the formation and function of tight junctions and microvilli, such as, ZO-1, Occludin and Ezrin. Compared with Caco-2 cultured on Transwell, ZO-1 and Ezrin gene expression levels were similar in all the scaffold/coating conditions but only Ezrin was upregulated in Transwell. Occludin was only upregulated in PAN and PCL scaffolds coated with collagen. Hence the scaffold topography also plays an important role in influencing gene expressions. The expression of these genes by Caco-2 also showed the potential for the scaffold to act as a basement membrane for the generation of intestine epithelium and eventually used as an in vitro model for studying intestinal diseases and conditions. Tian et al (2023) seek to mimic the ECM structure of gastrointestinal mucosa with ridge-like surface texture. A copper collector cooled to -20 °C was used to induce the formation of ridge-like structure as the electrospun polycaprolactone (PCL) fibers deposited on it. With this setup, the resultant membrane has a smooth underside which was in contact with the collector and a rough surface with the ridge-like structures. In a customized chamber, Tian et al (2023) cultured fibroblasts on the smooth surface of the membrane and epithelial cells on the rough side. The chamber prevented the cells from one side of the membrane to cross to the other side from the edges of the membrane. The pores between the fibers were too small for the cells to pass through the membrane but sufficiently large to allow biomolecules to pass. The EGF secreted by the fibroblasts was able to pass through the membrane and stimulate the epithelial cells on the rough side, demonstrated by the secretion of Mcl-1 and c-Myc RNA by epithelial cells.


(a) Morphologies of epithelium and lamina propria obtained from mice esophagus mucosa through a super deep optical microscope; (b) Photographs of e-spun film fabrication including solution preparation, cryogenic e-spinning, and the final Janus film; (c) Biomimetic morphologies of the rough side and flat side of Janus film {Tian et al 2023].

Published date: 20 December 2013
Last updated: 02 September 2025

Comments
[+]


Google Ad.